
characteristic
1. Good insulation performance: The insulation performance of ceramic alloy resistors is superior to other types of resistors, and can maintain stable electrical performance in harsh environments such as high temperature and high voltage.
2. High stability: The temperature coefficient of ceramic alloy resistance is small, and the influence of temperature and voltage changes on its resistance value is small, making it highly stable.
3. High temperature resistance: Ceramic alloy resistors can work normally in high temperature environments, are not prone to thermal aging, and have a long service life.
4. High voltage resistance: Ceramic alloy resistors have high compressive strength and can maintain stable electrical performance in high voltage environments.
5. Small size and light weight: Ceramic alloy resistors have relatively small volume and weight, making them easy to install and carry.



|
Power power |
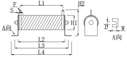
Resistance range | Dimensions Size (mm) | Maximum working voltage | Maximum load voltage | Maximum insulation voltage | |||||||||
| L1 ± 2 | L2 ± 3 | L3 ± 3 | L4 ± 3 | H1 ± 1 | H2 ± 2 | S ± 0.5 | F ± 0.5 | W ± 1 | T ± 0.5 | |||||
| 25W | 0R22-4K7 | 40 | 60 | 75 | 100 | 20 | 50 | 5 | 3.5 | 13 | 5 | 300V | 300V | 450V |
| 50W | 0R22-10K | 82 | 100 | 114 | 140 | 30 | 58 | 6 | 5 | 14 | 6 | 400V | 400V | 600V |
| 100W | 0R22-15K | 132 | 150 | 174 | 200 | 30 | 58 | 6 | 5 | 14 | 6 | 500V | 500V | 750V |
| 150W | 0R33-18K | 162 | 180 | 194 | 220 | 30 | 58 | 6 | 5 | 14 | 6 | 600V | 600V | 900V |
| 200W | 0R33-22K | 207 | 225 | 240 | 265 | 30 | 58 | 6 | 5 | 14 | 6 | 700V | 700V | 1000V |
| 250W | 0R33-24K | 292 | 310 | 324 | 350 | 30 | 58 | 6 | 5 | 14 | 6 | 900V | 900V | 1300V |
| 300W | 0R33-27K | 258 | 270 | 285 | 328 | 41 | 85 | 7.8 | 6 | 23 | 6 | 1000V | 1000V | 1450V |
| 400W | 0R33-30K | 322 | 344 | 360 | 406 | 41 | 85 | 7.8 | 6 | 23 | 6 | 1500V | 1500V | 2200V |
| 500W | 0R33-33K | 322 | 344 | 355 | 406 | 51 | 95 | 7.8 | 6 | 26 | 8.5 | 1600V | 1600V | 2300V |
| 1000W | 0R33-36K | 290 | 315 | 325 | 375 | 71 | 110 | 10 | 8 | 32 | 8.5 | 1600V | 1600V | 2300V |
| 1500W | 0R33-39K | 405 | 420 | 435 | 505 | 71 | 110 | 10 | 8 | 32 | 8.5 | 1700V | 1700V | 2400V |
| 2000W | 0R33-43K | 495 | 525 | 540 | 610 | 71 | 110 | 10 | 8 | 32 | 8.5 | 1800V | 1800V | 2550V |
| 5000W | 0R33-43K | 600 | 630 | 645 | 710 | 100 | 140 | 10 | 8 | 32 | 8.5 | 1800V | 1800V | 2550V |

Tel
Service
TOP